Can't use this link. Check that your link starts with 'http://' or 'https://' to try again.
Unable to process this search. Please try a different image or keywords.
Try Visual Search
Search, identify objects and text, translate, or solve problems using an image
Drag one or more images here,
upload an image
or
open camera
The photos you provided may be used to improve Bing image processing services.
Privacy Policy
|
Terms of Use
Drop image anywhere to start your search
To use Visual Search, enable the camera in this browser
All
Search
Images
Inspiration
Create
Collections
Videos
Maps
News
More
Shopping
Flights
Travel
Notebook
Top suggestions for LED Clock Timer Circuit Diagram
Simple
Timer Circuit Diagram
Digital
Circuit Diagram
Timer Relay
Circuit Diagram
Digital
Clock Circuit Diagram
Time Delay
Circuit Diagram
Timer Circuit
Schematic
Timer Control
Circuit Diagram
Digital Clock Circuit
Board
Microcontroller
Circuit Diagram
Transistor
Timer Circuit
Motion Detector
Circuit Diagram
Electronic
Timer Circuit
Digital Stopwatch
Circuit Diagram
Simple 555
Timer Circuit
LM8560
Clock Circuit Diagram
Adjustable
Timer Circuit
Astable 555
Timer Circuit Diagram
Digital Timer
Switch Circuit
Frequency Counter
Circuit Diagram
1 Minute
Timer Circuit Diagram
Timing
Circuit Diagram
Digital Programmable
Timer Switch
555 Timer
IC Circuit
Timer Module
Circuit Diagram
On/Off Delay
Timer Circuit Diagram
555 Timer
Bistable Circuit
555 Timer
Block Diagram
4 Digit Countdown
Timer Circuit Diagram
Digital Cutouttimer
Circuit Diagram
Cyclic
Timer Circuit Diagram
Power On Delay
Circuit Diagram
Digital Timer
Display
Timer
Wiring Diagram
Timer Circuit
Motor
Toptronic Timer
Circut Diagram
Digital Timer Circuit
Design
High Speed
Timer Circuit
Electronic Dice
Circuit
IC 4060
Timer Circuit Diagram
555 Timer
Pin Diagram
5 Min
Timer Circuit
Stop Watch
Circuit
Electronics Project
Circuit Diagram
Small
Timer Circuit
Pulse Counter
Circuit
NE555
Timer Circuit
Bdr Cycling
Timer Circuit Diagram
Egg
Timer Circuit Diagrams
555 Timer
Monostable Circuit
Logic Gates
Circuit Diagram
Explore more searches like LED Clock Timer Circuit Diagram
Fused
Switch
Light
Switch
Relay
Module
Long
Time
One
Shot
Infusion
Pump
Programmable
Switch
LED
Clock
Automatic
Pneumatic
IC 4093
Off
Sketchup
Contractor
Electronic
1
Hour
Shot
Clock
Simple
1 Hour
Automatic
12 HRS
For 30
Minute
People interested in LED Clock Timer Circuit Diagram also searched for
Strobe
Light
Transistor
Current
Display
Board
Christmas
Tree
Music/Rhythm
String
Lights
Dot-Matrix
Arduino
Low
Voltage
Series
Parallel
Blinking
Bulb
Exit Sign
Light
Strip
Light
Electronic
Display
Light
Bulb
HeartBeat
240 VAC
12Vdc
Which Pin Has
Bend It
Bulb
Driver
Bulb
Philips
Slow
Flashing
Sketch
For
Designs
Light
Flickering
Parallel
MultiColored
Autoplay all GIFs
Change autoplay and other image settings here
Autoplay all GIFs
Flip the switch to turn them on
Autoplay GIFs
Image size
All
Small
Medium
Large
Extra large
At least... *
Customized Width
x
Customized Height
px
Please enter a number for Width and Height
Color
All
Color only
Black & white
Type
All
Photograph
Clipart
Line drawing
Animated GIF
Transparent
Layout
All
Square
Wide
Tall
People
All
Just faces
Head & shoulders
Date
All
Past 24 hours
Past week
Past month
Past year
License
All
All Creative Commons
Public domain
Free to share and use
Free to share and use commercially
Free to modify, share, and use
Free to modify, share, and use commercially
Learn more
Clear filters
SafeSearch:
Moderate
Strict
Moderate (default)
Off
Filter
Simple
Timer Circuit Diagram
Digital
Circuit Diagram
Timer Relay
Circuit Diagram
Digital
Clock Circuit Diagram
Time Delay
Circuit Diagram
Timer Circuit
Schematic
Timer Control
Circuit Diagram
Digital Clock Circuit
Board
Microcontroller
Circuit Diagram
Transistor
Timer Circuit
Motion Detector
Circuit Diagram
Electronic
Timer Circuit
Digital Stopwatch
Circuit Diagram
Simple 555
Timer Circuit
LM8560
Clock Circuit Diagram
Adjustable
Timer Circuit
Astable 555
Timer Circuit Diagram
Digital Timer
Switch Circuit
Frequency Counter
Circuit Diagram
1 Minute
Timer Circuit Diagram
Timing
Circuit Diagram
Digital Programmable
Timer Switch
555 Timer
IC Circuit
Timer Module
Circuit Diagram
On/Off Delay
Timer Circuit Diagram
555 Timer
Bistable Circuit
555 Timer
Block Diagram
4 Digit Countdown
Timer Circuit Diagram
Digital Cutouttimer
Circuit Diagram
Cyclic
Timer Circuit Diagram
Power On Delay
Circuit Diagram
Digital Timer
Display
Timer
Wiring Diagram
Timer Circuit
Motor
Toptronic Timer
Circut Diagram
Digital Timer Circuit
Design
High Speed
Timer Circuit
Electronic Dice
Circuit
IC 4060
Timer Circuit Diagram
555 Timer
Pin Diagram
5 Min
Timer Circuit
Stop Watch
Circuit
Electronics Project
Circuit Diagram
Small
Timer Circuit
Pulse Counter
Circuit
NE555
Timer Circuit
Bdr Cycling
Timer Circuit Diagram
Egg
Timer Circuit Diagrams
555 Timer
Monostable Circuit
Logic Gates
Circuit Diagram
768×1024
scribd.com
28 Led Clock Timer | PDF | L…
900×642
circuitdiagram.co
Digital Clock Timer Circuit Diagram
920×557
circuitdiagram.co
60 Led Clock Circuit Diagram
1652×865
circuitdiagram.co
Led Clock Schematic Diagram
Related Products
Digital Timer IC
555 Timer Circuit Diagram
Programmable Digital Timer
1328×786
circuitdiagram.co
Led Clock Schematic Diagram
857×415
circuitdiagram.co
60 Led Clock Circuit Diagram - Circuit Diagram
1024×768
circuitdiagram.co
Analog Led Clock Circuit Diagram - Circuit Diagram
765×427
circuitdiagram.co
Led Clock Project Circuit Diagram - Circuit Diagram
912×491
circuitdiagram.co
Digital Clock Circuit Diagram Using Led Display
1600×793
circuitdiagram.co
Digital Led Wall Clock Circuit Diagram - Circuit Diagram
Explore more searches like
LED Clock
Timer Circuit Diagram
Fused Switch
Light Switch
Relay Module
Long Time
One Shot
Infusion Pump
Programmable
Switch
LED Clock
Automatic
Pneumatic
IC 4093 Off
1200×647
circuitdiagram.co
Circuit Diagram Of Digital Led Clock - Circuit Diagram
765×731
circuitdiagram.co
Digital Clock Circuit Diagram Using Led Displ…
1957×1629
circuitdiagram.co
Circuit Diagram 555 Timer Ic
1024×576
circuitdiagram.co
electronic timer circuit diagram - Circuit Diagram
700×548
circuitdiagram.co
Control Circuit Diagram With Timer - Circuit Diagram
1651×743
circuitdiagram.co
Running Light Led Circuit Diagram Pdf
600×600
schempro.com
An Illuminating Schematic: Building a LED Digital Clock
1200×681
schempro.com
An Illuminating Schematic: Building a LED Digital Clock
904×588
signalwires.com
Building a Simple LED Clock Circuit
735×617
www.pinterest.com
LED Light Timer Circuit Diagram
600×506
scheme360.net
Electronic Timer Circuit Diagram
545×336
blogspot.com
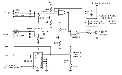
28 LED Clock Timer Circuit Schema With 74 HCT - My electronic
1539×916
electronicshelpcare.net
Timer circuit diagram - Electronics Help Care
1280×720
circuitdiagram.co
Simple Circuit Design Diagram
720×405
learn.circuit.rocks
Blinking LED with Timer Circuit | Circuitrocks
People interested in
LED
Clock Timer
Circuit Diagram
also searched for
Strobe Light
Transistor Current
Display Board
Christmas Tree
Music/Rhythm
String Lights
Dot-Matrix Arduino
Low Voltage
Series Parallel
Blinking Bulb
Exit Sign Light
Strip Light
720×405
learn.circuit.rocks
Blinking LED with Timer Circuit | Circuitrocks
1200×573
pisanisch089schematic.z14.web.core.windows.net
Digital Clock Circuit Diagram Using 555 Timer
1004×788
ecircuitdiagrams.blogspot.com
Circuit Diagram With Led Circuit Diagram Led Symbol
1816×1024
circuitprimiohmq.z21.web.core.windows.net
Digital Clock Circuit Diagram Using Led Display How To Build
1024×864
organised-sound.com
How To Make Digital Clock Circuit Diagram » Wiring Diagram
1365×1024
diagramtrepanonr.z21.web.core.windows.net
Led Digital Clock Circuit Diagram Digital Led Clock S…
1200×600
github.com
GitHub - scientificprogrammer123/LED-timer-circuit_schematic-capture_and_PCB-layout…
500×185
circuit-finder.com
How to build 9 Second LED Timer and Relay Circuit - circuit diagram
1280×720
vrogue.co
Adjustable Analog Timer Archives Electronic Circuit D - vrogue.co
1149×803
pdf-town.blogspot.com
28 LED Clock Timer With 74HCT Circuit Schematic | Wiring Diagram,Wii,Circuit,…
Some results have been hidden because they may be inaccessible to you.
Show inaccessible results
Report an inappropriate content
Please select one of the options below.
Not Relevant
Offensive
Adult
Child Sexual Abuse
Feedback