Can't use this link. Check that your link starts with 'http://' or 'https://' to try again.
Unable to process this search. Please try a different image or keywords.
Try Visual Search
Search, identify objects and text, translate, or solve problems using an image
Drag one or more images here,
upload an image
or
open camera
The photos you provided may be used to improve Bing image processing services.
Privacy Policy
|
Terms of Use
Drop image anywhere to start your search
To use Visual Search, enable the camera in this browser
All
Search
Images
Inspiration
Create
Collections
Videos
Maps
News
More
Shopping
Flights
Travel
Notebook
Top suggestions for Commodore 64 CAD
Commodore 64
Car
Commodore 64
Schematic
CAD 3D
Commodore 64
Commodore 64
Wallpaper
Commodore 64
Paint
Commodore 64
Ad with Model
Commodore 64
Mini
Commodore 64
Art
Commodore 64
System
Commodore 64
Ad with Lady Model
Commodore 64
Power Supply Schematic
Commodore 64
Design
C64
Commodore 64
RetroPie
Commodore 64
Type
Commodore 64
Console
Commodore 64
Full Set
Commodore 64
Shelves
Commodore
64C
Commodore
C64
Commodore 64
Decor
Commodore 64
Plastic
Commodore 64
Template
R-Type
Commodore 64
Commodore
Circuit
C64 Memory
Map
Commodore 64
Sketch
Commodore
128
Supremacy
Commodore 64
Snap Dragon
Commodore 64
Cybernoids
Commodore
Commodore 64
Coaster
Blueprint Art
Commodore 64
Commodore 64
Playing Cards
Inside Out
Commodore 64
Strømforsyning
Commodore 64
Old Commodore 64
Ad
Commodore 64
Display Shell
Commodore 64
Monitor
Elektroda
Commodore 64
Commodore 64
IC
Commodore 64
Simple Graphics
Riparazione
Commodore 64
Original Commodore 64
Ad
Commodore 64
Model Sheets
Commodore 64
Alt Cases
GEOS Lobster
Commodore 64
Commodore 64
Top-Down Blueprints
Commodore 64
Defend New York
Commodore 64
Ram New
Explore more searches like Commodore 64 CAD
Tape
Drive
Summer
Games
Wallpaper
4K
Power Supply
Schematic
Circuit
Board
Power Supply
Pinout
Cassette
Player
Oregon
Trail
Personal Computer
Keyboard
Full
Keyboard
Hard
Drive
Keyboard
Layout
Mona
Lisa
Old
Computer
Box
Template
High
Resolution
Winter
Olympics
Folder
Icon
Lord
Rings
Playing
Cards
Neon
Blue
Terminator
2
Dreamhouse
Monitor
Back
Hard
Disk
Power
Supply
Games
List
New
Keyboard
3
Musketeers
Unreal
Engine
Home
Computer
Classic
Games
Raspberry
Pi 400
Personal
Computer
Retro
Keyboard
Raspberry
Pi
Character
Set
Computer
Case
Logo
png
Rambo
Game
Text
Games
Disk
Drive
Computer
Games
Bruce
Lee
Simple
Graphics
Arrow
Keys
Transparent
Background
Computer
Monitor
People interested in Commodore 64 CAD also searched for
King
Tut
Light
Pan
Game
Cartridge
Acoustic
Modem
Clip
Art
Mechanical
Keyboard
HDMI
Adapter
Hard Disk
Drive
Basic
Screen
Autoplay all GIFs
Change autoplay and other image settings here
Autoplay all GIFs
Flip the switch to turn them on
Autoplay GIFs
Image size
All
Small
Medium
Large
Extra large
At least... *
Customized Width
x
Customized Height
px
Please enter a number for Width and Height
Color
All
Color only
Black & white
Type
All
Photograph
Clipart
Line drawing
Animated GIF
Transparent
Layout
All
Square
Wide
Tall
People
All
Just faces
Head & shoulders
Date
All
Past 24 hours
Past week
Past month
Past year
License
All
All Creative Commons
Public domain
Free to share and use
Free to share and use commercially
Free to modify, share, and use
Free to modify, share, and use commercially
Learn more
Clear filters
SafeSearch:
Moderate
Strict
Moderate (default)
Off
Filter
Commodore 64
Car
Commodore 64
Schematic
CAD 3D
Commodore 64
Commodore 64
Wallpaper
Commodore 64
Paint
Commodore 64
Ad with Model
Commodore 64
Mini
Commodore 64
Art
Commodore 64
System
Commodore 64
Ad with Lady Model
Commodore 64
Power Supply Schematic
Commodore 64
Design
C64
Commodore 64
RetroPie
Commodore 64
Type
Commodore 64
Console
Commodore 64
Full Set
Commodore 64
Shelves
Commodore
64C
Commodore
C64
Commodore 64
Decor
Commodore 64
Plastic
Commodore 64
Template
R-Type
Commodore 64
Commodore
Circuit
C64 Memory
Map
Commodore 64
Sketch
Commodore
128
Supremacy
Commodore 64
Snap Dragon
Commodore 64
Cybernoids
Commodore
Commodore 64
Coaster
Blueprint Art
Commodore 64
Commodore 64
Playing Cards
Inside Out
Commodore 64
Strømforsyning
Commodore 64
Old Commodore 64
Ad
Commodore 64
Display Shell
Commodore 64
Monitor
Elektroda
Commodore 64
Commodore 64
IC
Commodore 64
Simple Graphics
Riparazione
Commodore 64
Original Commodore 64
Ad
Commodore 64
Model Sheets
Commodore 64
Alt Cases
GEOS Lobster
Commodore 64
Commodore 64
Top-Down Blueprints
Commodore 64
Defend New York
Commodore 64
Ram New
640×480
commodore-info.com
Commodore Info Page - Cassette: CAD 64 [en]
1170×741
thecodeshow.info
Commodore 64 - The Code Show
1200×810
elecschem.com
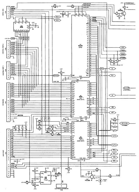
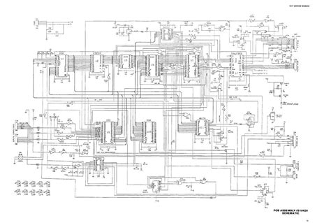
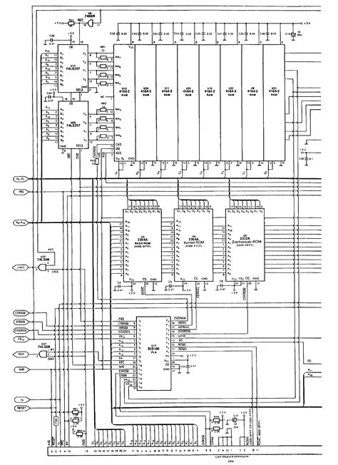
The Ultimate Guide to Understanding the Commodore 64 Schematic Diagram
1200×879
elecschem.com
The Ultimate Guide to Understanding the Commodore 64 Schematic Dia…
Related Products
Commodore 64 Mini
Commodore 64 Games
Commodore 64 Joystick
1200×827
elecschem.com
The Ultimate Guide to Understanding the Commodore 64 Schematic Diag…
980×882
spectrum.ieee.org
Creating the Commodore 64: The Engineers’ Story - IEEE Spectrum
1920×1176
cemtezcan.com
Cem Tezcan - Personal Portfolio - Modeling Commodore 64C - Update 1
1280×941
retrosix.wiki
Schematics (Commodore 64) - RetroSix Wiki
1024×997
shop.paulrickards.com
Commodore 64 250407 Replica Schematic Art Plot - Shop @paulri…
2560×1920
shop.paulrickards.com
Commodore 64 250407 Replica Schematic Art Plot - Shop @paulri…
4496×3296
commodore.ca
ftp.funet.fi:/pub/cbm/schematics/computers/c…
Explore more searches like
Commodore 64
CAD
Tape Drive
Summer Games
Wallpaper 4K
Power Supply Schematic
Circuit Board
Power Supply Pinout
Cassette Player
Oregon Trail
Personal Computer Ke
…
Full Keyboard
Hard Drive
Keyboard Layout
960×534
grabcad.com
Free CAD Designs, Files & 3D Models | The GrabCAD Community Library
800×600
free3d.com
Commodore 64 3D Model $14 - .max .obj - Free3D
2000×1500
musictech.com
The 1982 Commodore 64 is back – and it's just as you remember it
1600×1200
renderhub.com
Commodore 64 - 3D Model by adriankulawik
1600×1200
renderhub.com
Commodore 64 - 3D Model by adriankulawik
2400×1709
renderhub.com
Commodore 64 - 3D Model by adriankulawik
1920×1440
artstation.com
ArtStation - Modeling Commodore 64C - Update 1
1600×1600
free3d.com
Commodore 64 3D Model $99 - .blend - Free3D
440×687
detailedpedia.com
Commodore 64 | Detailed Pedia
1200×1200
TurboSquid
3D commodore 64 model - TurboSqui…
3000×2335
pholder.com
481 best Commodore 64 images on Pholder | Retrobattlestations, Ret…
1000×562
makerworld.com
Commodore 64 C64 - Kit Card by mkl3D MakerWorld: Download Free 3…
1920×1080
turbosquid.com
Commodore 64 3D - TurboSquid 2209871
1920×1080
turbosquid.com
Commodore 64 3D - TurboSquid 2209871
1920×1080
turbosquid.com
Commodore 64 3D - TurboSquid 2209871
1920×1080
turbosquid.com
Commodore 64 3D - TurboSquid 2209871
People interested in
Commodore 64
CAD
also searched for
King Tut
Light Pan
Game Cartridge
Acoustic Modem
Clip Art
Mechanical Keyboard
HDMI Adapter
Hard Disk Drive
Basic Screen
2400×1155
myoldcomputer.nl
Commodore 64 – My old computer
1280×853
BlenderNation
Model Download: Commodore 64 - BlenderNation
4160×3120
cgtrader.com
Commodore 64 Enclosure 3D model 3D printable | CGTrader
1024×867
www.techspot.com
Someone built a Commodore 64 from most…
1440×1080
makerworld.com
Commodore 64 case V 2.1 Remixed by EgeOzp MakerWorld: Download …
1920×1080
matt3o.com
Building a Commodore 64 inspired keyboard
1024×768
silicon.co.uk
Tales In Tech History: Commodore 64
360×360
redbubble.com
"Commodore 64 (Blueprint)" Poster for Sale by BLUE …
Some results have been hidden because they may be inaccessible to you.
Show inaccessible results
Report an inappropriate content
Please select one of the options below.
Not Relevant
Offensive
Adult
Child Sexual Abuse
Feedback